• 产品介绍

高压模块式储能系统

标准产品是 1.725MW/3.45MWh, 采用集装箱一体化设计含电池与 PCS,电池与 PCS 采用组串式连接,交流侧并联,采用一簇一管理模式。

技术特点

1、 转换效率高,能量密度高

2、 电池损耗小

3、 可靠性高

4、 易安装维护


高压模块化储能系统

一、构成

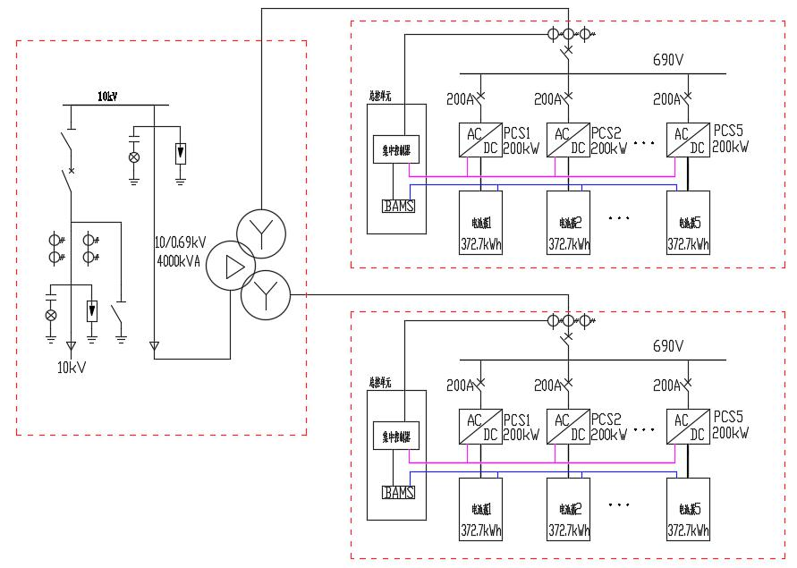
高压模块化储能系统是一款面向电网侧或发电侧大规模储能用户产品,该产品设计容量1.725MW/3.45MWh,具有容量大、能量密度高、控制响应速度快等特点。

该系统采用集装箱一体化配置,包含能量转换单元(PCS)、控制柜、消防控制柜、汇流柜、配电柜、电池柜及辅助回路。系统通过控制柜的协调控制10个PCS功率模块,分别对10簇电池进行充放电,该PCS交流侧电压为690V,直流侧电压可达高压1500V,PCS采用交流侧并联,直流侧采用多支路结构,以消除电池簇间环流。交流侧通过汇流柜汇流后接入升压舱并入高压电网,消防控制柜对整个系统进行火灾报警监控并连通气体灭火剂对火灾进行灭火。控制柜中的集中控制器负责对各支路单元PCS进行控制及功率分配,并将系统的工作状态上送至EMS,同时可接受上级EMS的调度控制指令。

集装箱由如下部分组成:
1)能量转换单元(PCS)
采用模块式户外布置,单个PCS功率200kW,5个PCS组成一个PCS柜,共2台PCS柜。
2)设备舱
该舱内布置控制柜、汇流柜、配电柜及气体灭火系统。控制柜内装有协调控制器及BMS总控,协调控制10个PCS模块输功率输出,并与BMS总控进行通迅,收集电池相关参数。汇流柜将10个PCS模块交流侧进行汇流后,接入升压舱。配电柜将外部引入的380V厂用电进行分配给各子系统辅控回路。
3)电池舱
该舱内布置10簇磷酸铁锂电池、消防管道及热管理系统。
4)辅控设备
辅控设备主要包括门禁系统、视频监系统、消防监控系统、照明系统等。



二、应用案例

为验证高压模块化储能系统技术先进性,比较与低压集中式储能系统在生产安装周期、系统效率、温度均衡性控制、安全性等方面性能优劣,目前已在公司城步儒林储能电站二期建设中投运一套3.45MW/6.9MWh高压模块化储能系统。


本系统方案方案采用10kV并网,总设计容量为3.45MW/6.9MWh。分为升压舱和模块化储能系统舱,模块化储能系统舱设计A、B两个舱。电池组接入高压模块式PCS(直流1500V、交流690V)构成独立支路。10条支路经逆变、汇流后并接至3750kVA双分裂升压变,低压经0.69/10kV升压之后并入10kV高压电网。侧箱内设组串式协调控制器负责多支路的能量协控。




联系我们
地址:中国长沙高新区麓谷工业园麓松路609号
企业邮箱:hnac@cshnac.com
售后专线:400-0586-896
业务专线:0731-88238888-8219
                 18390964050(非工作时段或紧急可联系)
关于华自
公司介绍
发展历程
公司优势
企业文化
国际视野
成员企业
解决方案
新型储能
智慧能源
智慧水电
智慧水利
智慧环保
智能制造
智慧运维
产品中心
电力自动化
新能源与储能
水利水电
环保水处理
工业自动化
行业软件
其它
华自服务
华自培训
售后服务
新闻中心
华自新闻
媒体聚焦
华自通讯
行业动态
展会动态
集团三十周年
加入华自
社会招聘
校园招聘
招聘公告
投资者关系
公司公告
投资者讲堂
公司风采
董秘直达

微信公众号

天猫旗舰店

流量统计代码